





STM-CH-LoRa-F868, Módulo control LoRa con medida corriente con transformadores efecto Hall, frecuencia 868 MHz,
Código: E82CH20010000DESCATALOGADO
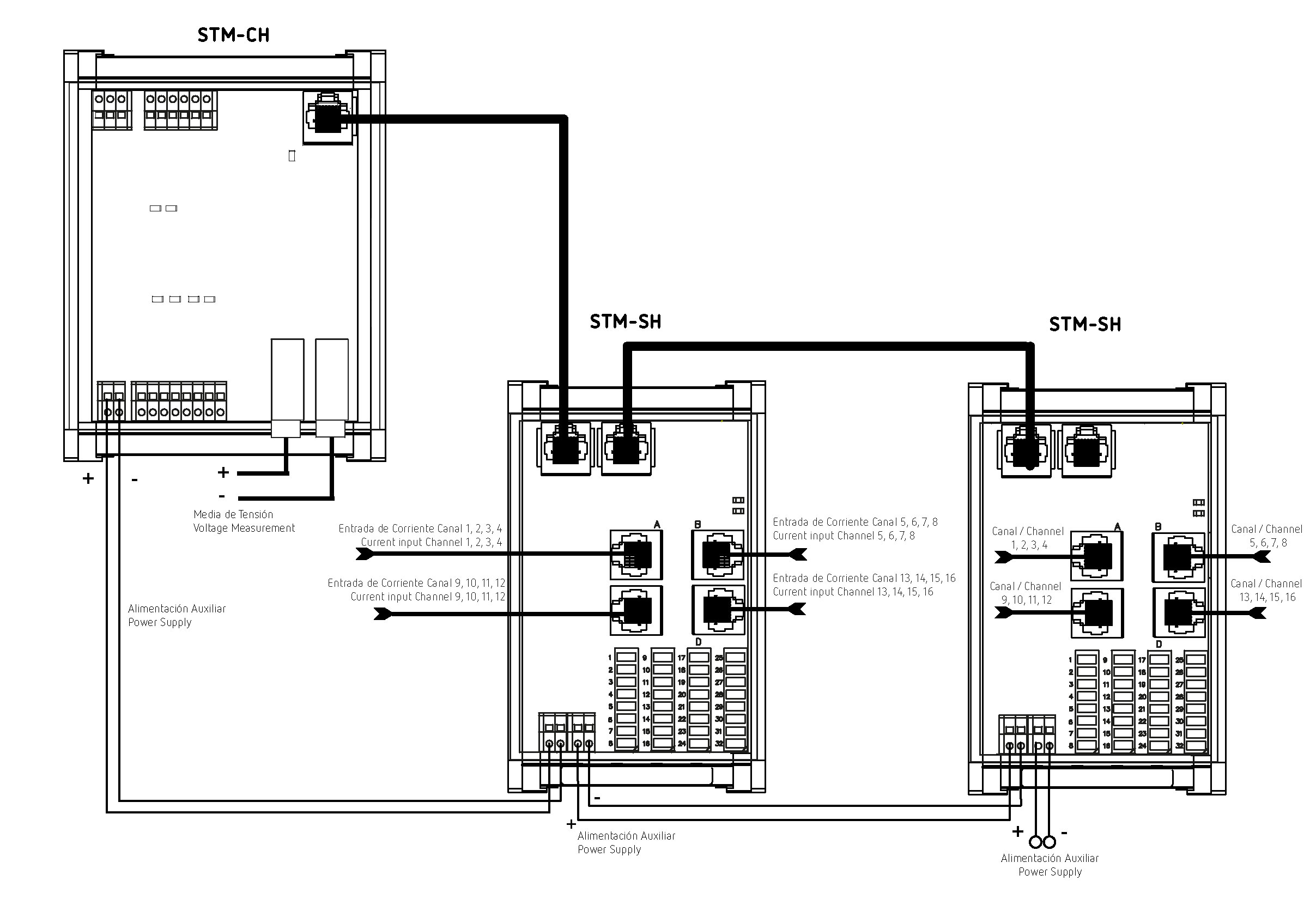
STM-H es un analizador inteligente de hasta 32 canales con sensores de efecto Hall. Diseñado específicamente para la supervisión de strings fotovoltaicos, el STM permite el máximo rendimiento del campo fotovoltaico gracias a su alta precisión de medida. La solución está compuesta por distintos módulos:
STM-CH: Módulo dotado de la inteligencia para realizar cálculos de potencia, comparación de rendimientos de strings, detección de corrientes inversas, etc.
Además incorpora:
Supervisión de strings fotovoltaicos en huertas solares y en instalaciones de autoconsumo.

